Product Summary
Recommended for high-side switching applications that benefit from
separate logic and load grounds, these devices encompass load supply
voltages to 50 V and output currents to -500 mA. These 8-channel source
drivers are useful for interfacing between low-level logic and high-current
loads. Typical loads include relays, solenoids, lamps, stepper and/or servo
motors, print hammers, and LEDs.
All devices may be used with 5 V logic systems — TTL, Schottky TTL,
DTL, and 5 V CMOS. The UDN2981A, UDN2982A, and A2982SLW are
electrically interchangeable, will withstand a maximum output off voltage of
50 V, and operate to a minimum of 5 V. All devices in this series integrate
input current limiting resistors and output transient suppression diodes, and
are activated by an active high input.
The suffix ‘A’ (all devices) indicates an 18-lead plastic dual in-line
package with copper lead frame for optimum power dissipation. Under
normal operating conditions, these devices will sustain 120 mA continuously
for each of the eight outputs at an ambient temperature of +50°C and a supply
of 15 V.
The suffix ‘LW’ (UDN2982LW only) indicates an 18-lead surfacemountable
wide-body SOIC package; the A2982SLW is provided in a 20-lead
wide-body SOIC package with improved thermal characteristics.
The UDN2982A, UDN2982LW, and A2982SLW drivers are also
available for operation over an extended temperature range to -40°C. To
order, change the prefix ‘UDN’ to ‘UDQ’ or the suffix ‘SLW’ to ‘ELW’.
These packages are available in Pb (lead) free variants (suffix ‘-T’), with
100% matte-tin leadframe plating.
Features
TTL, DTL, PMOS, or CMOS Compatible Inputs
500 mA Output Source Current Capability
Transient-Protected Outputs
Output Breakdown Voltage to 50 V
DIP or SOIC Packaging
at 25°C Free-Air Temperature
Output Voltage Range, VCE . . . . . . 5 V to 50 V
Input Voltage, VIN
UDN2981A. . . . . . . . . . . . . . . . . . . . . . . . 15 V
UDN2982A, UDN2982LW, and,
A2982SLW . . . . . . . . . . . . . . . . . . . . . . . 20 V
Output Current, IOUT . . . . . . . . . . . . . . -500 mA
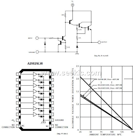
Package Power Dissipation,
PD . . . . . . . . . . . . . . . . . . . . . . . See Graph
Operating Temperature Range,
TA . . . . . . . . . . . . . . . . . . . . -20°C to +85°C
Storage Temperature Range,
TS . . . . . . . . . . . . . . . . . . . -55°C to +150°C
Diagrams

| Image | Part No | Mfg | Description | ![]() |
Pricing (USD) |
Quantity | ||||
|---|---|---|---|---|---|---|---|---|---|---|
![]() |
![]() UDN2982LW-T |
![]() |
![]() IC SOURCE DRIVER 8CHAN 20-SOIC |
![]() Data Sheet |
![]() Negotiable |
|
||||
| Image | Part No | Mfg | Description | ![]() |
Pricing (USD) |
Quantity | ||||
![]() |
![]() UDN2540B |
![]() Other |
![]() |
![]() Data Sheet |
![]() Negotiable |
|
||||
![]() |
![]() UDN2559B |
![]() |
![]() IC DRIVER QUAD PROTECTED 16DIP |
![]() Data Sheet |
![]() Negotiable |
|
||||
![]() |
![]() UDN2559BT |
![]() |
![]() IC DRIVER QUAD PROTECTED 16DIP |
![]() Data Sheet |
![]() Negotiable |
|
||||
![]() |
![]() UDN2559B-T |
![]() |
![]() IC DRIVER QUAD PROTECTED 16DIP |
![]() Data Sheet |
![]() Negotiable |
|
||||
![]() |
![]() UDN2559EB |
![]() |
![]() IC DRIVER QUAD PROTECTED 28PLCC |
![]() Data Sheet |
![]() Negotiable |
|
||||
![]() |
![]() UDN2559EBTR |
![]() |
![]() IC DRIVER QUAD PROTECTED 28PLCC |
![]() Data Sheet |
![]() Negotiable |
|
||||
(Hong Kong)







